Top.Mail.Ru
Перейти к содержанию
Новости в мире симрейсинга
Новости

ДД руль из ховерборда. Я сделал это!


Рекомендуемые сообщения

11 часов назад, GranDoxin сказал:

200€ - это немного больше чем тыща рублей, примерно в 18 раз :)))

Ну, а я и не говорил ничего про тысячу рублёв.)
А указал на то, что такая возможность имеется, и не за такой прайс, как у производителей рулей. Другой вопрос, что не каждому это надо.
Думаю человек, который готов выложить за Фантик "Подиум" 1600€ - вряд-ли задумается о покупке китайского мотора, и самодельной базе, на основе такого мотора. И ему фиолетово, что тот самый китайский мотор стоит в "Подиуме". Зато выглядит выглядит красиво.)

Ссылка на комментарий
12 часов назад, lenynnn сказал:

Думаю человек, который готов выложить за Фантик "Подиум" 1600€ - вряд-ли задумается о покупке китайского мотора

Ну так тема недорогого руля  не для таких людей, а для всех остальных : )

 

 

 

Ссылка на комментарий
17 минут назад, Sieben сказал:

https://www.solomotorcontroller.com/product/solo-beta/

Этот тоже подходит. 

НУ если напишешь под него прошивку - то подойдет ? 

Но вообще сразу минусы этой платы.  Закрытая схемотехника. Значит покупать только у этих ребят. 130Евро без доставки и НДС - это в два раза дороже китайского ODrive.  ODrive открытая схемотехника, можно писать свои прошивки. Устройство включает в себя и контролер STM32  и силовую часть. Присоединил энкодер и все. Я всетаки за ODrive как устройство с минимальными усилиями 'чтоб завелось'

Изменено пользователем propeler
Добавление текста
Ссылка на комментарий
6 минут назад, Sieben сказал:

@propeler А что не так у него с прошивкой?

Вопрос надо ставить по другому. А что у него с прошивкой так? У тебя есть под него FFB прошивка? Чтобы воткнул в USB и получил руль?

Изменено пользователем propeler
Ссылка на комментарий
1 час назад, Sieben сказал:

Он понимает обычный pwm для векторного управления bldc. Что ещё надо?)

Я ж не против. Кто хочет делать на нем -пусть делает на нем. Лично я с экспериментами закончил.  Я описываю варианты которые я проверил и что знаю что они гарантировано работают. Гипотетические варианты еще и со стоимостью выше чем описанные я не рассматриваю. Их проверкой и подгонкой у меня  заниматься времени и желания нет.  

З.Ы. Просто для понимания. 128,10€ стоимость одного экземпляра с доставкой для solo-board(бета, когда он выйдет из беты его стоимость будет с доставкой около 170€) и € 57,64 с доставкой для ODrive. 

Изменено пользователем propeler
Ссылка на комментарий
13 часов назад, propeler сказал:

Ну что же.

 

Контролер

Вариант нумбер ван китайский клон ODrive на одну ось. К этому контролеру нужно приложить минимум рук. Всего лишь надо отпаять три конденсатора и контролер готов. Вот пример с алика https://www.aliexpress.com/item/4000360983169.html .

Single-drive-Version-of-ODrive-3-5-ESC-H

Ключевые слова для поиска других вариантов - ODrive Single.

 

Вариант нумбер два. Контролер на BTN8982. Требует большего приложения рук. Проект лежит в открытом доступе https://easyeda.com/olukelo/btn8982-three-phase-controller_copy_copy Данный проект можно заказать на JLCPCB с монтажем компонетов прямо из easyeda. По прибытию надо будет самому допаять несколько конденсаторов на 100nF,  3 BTN8982, и преобразователь на 5 вольт https://www.aliexpress.com/item/32725312642.html Опционально можно допаять усилители 3 AD8417 если хотите FOC(без них тоже работает но нету контроля по току) и еще один BTN8982 на тормозной резистор. Я пока использую без него. По деньгам когда я все задумывал это получалось  сильно дешевле чем ODrive.  Сейчас ODrive подешевели на али и уже  нужно задуматься есть ли смысл возиться с этим контролером  ?

на сегодняшний день ODrive стоит около 70$, контролер на BTN8982 с усилителями около 50$, без усилителей около 40$ но требует больше приложения рук.

Энкодер

Пока остановился  на SPI абсолютном серии AS5047/AS5048.

Есть вариант нумбер ван -  купить готовый на алике https://www.aliexpress.com/item/4000523269801.html

 AS5048-Magnetic-Encoder-Sets-PWM-and-SPI

 

Вариант нубмер два - на сайте ams.com можно заказать 5 семплов сенсора бесплатно и распаять их на SOP BREKOUT BOARD типа такой. SOP14%20Pin%20Board%20SSOP14%20TSSOP14%2

 

Тут тоже кому что проще. У меня пока из бесплатных семплов ?

 

В следующей части рассмотрим железячничество.

А что площадка закрыта под радиатор маской? Может стоит открыть? 

И где диод по 5V юсб? А лучше что-то типа USBLC6-2P6 ставить на юсб.

 asass.jpg

Изменено пользователем ZERgyt
Ссылка на комментарий
8 часов назад, ZERgyt сказал:

А что площадка закрыта под радиатор маской? Может стоит открыть? 

И где диод по 5V юсб? А лучше что-то типа USBLC6-2P6 ставить на юсб

Я не профессиональный электронщик, могут быть недочеты.  Поэтому проект открыт по GPL чтобы  его могли улучшать ? и использовать кто хочет.

Цитата

Там три чипа, четвертый не используется.

Он используется опционально. Это бтн-ка на тормозящий резистор.  Плата также используется в другом роботик проекте там этот четвертый нужен безоговорочно.  Без задействования этого резистора я в своих тестах с своим рулем проблем не выявил, но я более чем уверен что мои тесты не покрывают всех вариантов использования и не исключаю кому-то четвертый может понадобиться и на руле.

Ссылка на комментарий

А вот такой штукой удастся управлять ховерное колесико для нужд ДД?

677,24 руб.  16% Off | Hall Motor JY01 DC 12V-36V 500W PWM DC Brushless Motor Controller Balancing Automotive Balanced BLDC Car Driver Control Board
https://star.aliexpress.com/share/share.htm?image=U2e934875b0b64d849ab4b47511ad58e4Q.jpg&businessType=ProductDetail&title=677%2C24 руб. 16% Off | Hall Motor JY01 DC 12V-36V 500W PWM DC Brushless Motor Controller Balancing Automotive Balanced BLDC Car Driver Control Board&platform=AE&redirectUrl=https%3A%2F%2Fwww.aliexpress.com%2Fitem%2F4000221276990.html%3F%26srcSns%3Dsns_Copy%26tid%3Dwhite_backgroup_101%26mb%3Drn7w9Eed5M2wOv6%26businessType%3DProductDetail%26spreadType%3DsocialShare

Изменено пользователем Underground
Ссылка на комментарий
  • 1 месяц спустя...

Эй Пропеллер, пожалуйста выложи схемку, софт и тд, а то закинул "морковку" и в кусты...  просто определиться б уже Одрайв или что, энкодер или компас... 

Ссылка на комментарий
29.12.2020 в 1:35 PM, Sieben сказал:

Прочитал, никакой конкретики, ни исходников, даже не понятно как Одрайв переделывать

Ссылка на комментарий
  • 2 недели спустя...
08.11.2020 в 11:39 AM, propeler сказал:

Я не профессиональный электронщик, могут быть недочеты.  Поэтому проект открыт по GPL чтобы  его могли улучшать ? и использовать кто хочет.

Когда можно ждать прошивку руля, в виде исходников либо готовый hex? 

Ссылка на комментарий
30.12.2020 в 2:35 PM, Sieben сказал:

@Underground о том и речь собственно. 

Вот это и обидно, только "обслюнявился", куплю гирик за тыщу, раздербаню, сделаю себе нормальный ДД, тем более после смерти своего Т300 вернулся на G25... так вот и опять такое ощущение, что "я сделал, я умный... смотрите завидуйте..." неужели трудно выложить прошивку куда нить, да нарисовать схемку... если переделать Одрайв - то как? Какие контакты куда подключать... ну не все же тут программеры и инженера электронщики... полно ведь людей находящихся на некотоРом расстоянии от глубокого погружения в тему, однако могущие соединить несколько проводочков и умеющие отличить плюс от минуса... но фига Вам по всей моське... пойду ка я мучать старенький логитех... покатаюсь залью горькой слезой свою несостоятельность... 

ждем топикпастера с возможной инструкцией, всем добра!

  • Печаль 1
Ссылка на комментарий

Короче, если получится продать на данный момент свои самодельные ручник, кпп и базу, то наверное буду закупать материалы на похожий проект. Немного корректировать под свои нужды плату управления на стм, все это заказывать с китая и начинать паять. Благо мои умения дают возможность сделать электронную и механическую часть. А брат (только закончивший доолгую учебу на программиста) вроде как заинтересовался данным проектом, и пока сидит на карантине, готов взяться за познание и разработку прошивки. Но все это пока что  (пока не продастся предыдущая самоделка) на уровне мыслей и обсуждений ну и соответственно по не многу делается список, что нужно закупать и сколько это будет по времени.

Ссылка на комментарий

Часть механическая. 

Наш мотор - мотор от гироскутера. Лучше всего если это будет мотор с плоскость на внешней стороне, как варианты:

 images?q=tbn:ANd9GcS1yYrineqer660BalEdIbimages?q=tbn:ANd9GcSShAjVGylEoqqvMQDnI4zimages?q=tbn:ANd9GcTTw6ovdOYd2SrBDAiUOS3

 

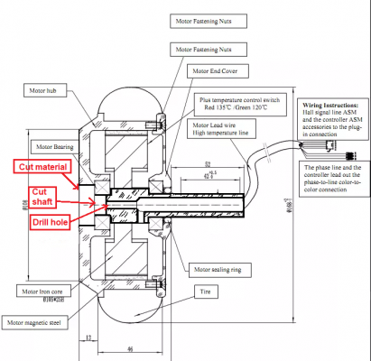
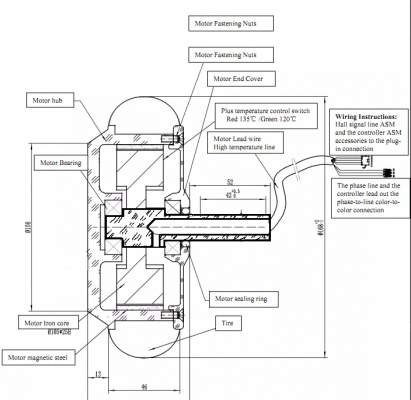
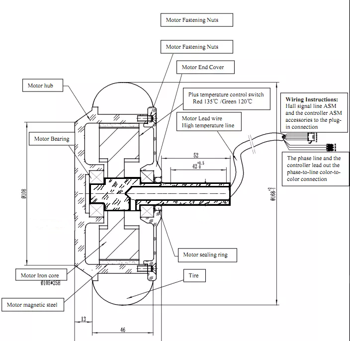
В оригинале вал мотора уже имеет внутри отверстие вывода проводов, но к сожалению отверстие не сквозное:

original.thumb.png.b419a5b518ec87674cc493fce73c0970.png

В идеале будет просверлить это отверстие насквозь. Если нету доступа к такому оборудованию, то можно просто сделать пропил на верхнем краю вала в который пройдут провода. Можно, но при таком раскладе удобство проводки проводов от энкодера не на высоте. Также надо укоротить вал со стороны подшипника. Это освободит  место в подшипнике чтобы потом туда поместить 3D принт с энкодером.  В самом же барабане делаем отверстие и разворачиваем его по максимуму. Картинки иллюстрирующие идею для обоих вариантов.:

variant1.thumb.png.8495f78e4e45ddcabeb99869126f9c96.pngvariant2.thumb.png.4c651eed0a8f59132e8d0a675544f3e2.png

У меня сделано по второму варианту. Просто отпилено дремелем.

illustration.thumb.jpg.07e0d7b5c7ab919f6e8a024f2938741f.jpg

 

Вся идея такая, что 3D принт с энкодером фиксируется в свободном пространстве на подшипнике, а магнит на переходнике - на барабане колеса, как на фото из первого поста.

Уже позже у меня возникла идея, что можно не пускать провода от энкодера через мотор, а пустить их вместе с проводом который будет идти от баранки к базе. Сам энкодер установить не на вал а на барабан, а магнит на вал. Но этот вариант я еще не реализовывал и какие подводные камни с ним могут возникнуть - не проверял. Но сейчас я думаю я бы пошел по такому пути если бы делал второй.

 

Крепление идеально если достанется половинка от гироскутера родная, и разместить потом все на этой половинке:

20200625_081808634_ios-jpg.74472

Мне не повезло, у меня было колесо без базы - поэтому пришлось мудрить с основанием. Здесь у кого на что хватит фантазии. 

 

ODrive

Переделки по Одрайву минимальны. Нужно найти на плате перемычки J25 и J26. Перемычку J25 надо замкнуть путем напайки на нее чего нибудь, а J26 разомкнуть. Например путем разрезания дорожки на перемычке. GPIO 8 используеться как шина SPI для енкодера и коммуникации с баранками Thrustmaster, и нам не нужен фильтр на ней. 

 scheme.thumb.jpg.4d9f019598515e7c10555b646461bb69.jpg

Изменено пользователем propeler
  • Нравится 3
Ссылка на комментарий

В данный момент этот руль реализован на Odrive или первый вариант на самодельной плате?

Видео с работой базы будут к обозрению?

Когда ждать документацию по переделке odrive?

Ну и наконец таки самый важный вопрос для всех, когда ждать прошивку сего чуда?)

Ссылка на комментарий
13 минут назад, Volvox сказал:

В данный момент этот руль реализован на Odrive или первый вариант на самодельной плате?

Мой руль сделан на самодельной.

Цитата

Видео с работой базы будут к обозрению?

Что нужно показать на видео?

Цитата

Когда ждать документацию по переделке odrive?

Уже.

Цитата

Ну и наконец таки самый важный вопрос для всех, когда ждать прошивку сего чуда?)

Прошивка постоянно меняется и совершенствуется. Когда у кого-то будет хотя-бы что-то куда заливать я соберу версию прошивки. 

 

С точки зрения прошивки между ODrive и моей платой  разницы не много. обе платы на STM32F405. Если использовать AS5047/AS5048 энкодеры то мне только выбрать нужные ноги для SPI, нужный драйвер для управления полумостами и нажать кнопку BUILD. Прошивка будет готова. 

 

Изменено пользователем propeler
  • Нравится 3
Ссылка на комментарий

@propeler а можно и тут спрошу. Для  твоей прошивки в авиасимы, будет поддержка обычных коллекторных двигунов?))) Ну как типа mmos только для двух осей ffb РУСа. 

Ссылка на комментарий
  • Последние посетители   0 пользователей онлайн

    • Ни одного зарегистрированного пользователя не просматривает данную страницу
×
×
  • Создать...