Top.Mail.Ru
Перейти к содержанию
Новости в мире симрейсинга
Новости

Рекомендуемые сообщения

Наконец-то победил!!! :dance: Сегодня пришли посылки, и оригинальный E6B2CWZ6C ! перед тем как ставить решил взглянуть и сравнить со старыми , и вот что 

IMG_0221.JPG

в серёдке который меня три дня мучал , я уже хотел всё выкинуть к чертям))) Но тогда успокившись, решил заказать у продавца которого купил E6B2-СWZ1X, и не прогадал!!! вскрыв энкодеры, на подделке обнаружил вот такое чудо... трёх резисторов, одного болтика и пломбы на подстроечниках нет!!! И ещё одна проблему нашёл, уже в блоке питании, с завода было выставлено напряжение 11,45 В, тоже вскрыл))) докрутил до 12,5 В ...И о чудо, всё заработало!!! Всем Спасибо тем , кто в своё время откликнулись на крик))) 

и ещё, на BTS7960 c GA523 тоже без проблем заработал... 

завтра соберу всё остальное, педали+кпп ....попробуем погонять) 
хотел поделиться результатами (графикой) , но не знаю как... если поделитесь как это делается буду очень благодарен !!! 

  • Нравится 2
Ссылка на комментарий

Здравствуйте. Наконец-то осилил все сообщения в данном топике) Загорелся заделать дома кокпит с рулевой системой. 

Начал потихоньку подбирать комплектующие и проектировать всё это дело.

Есть вопросы:

1. Пробовал кто ремень заменить цепью (велосипедной)? Как оно? Сильно шумно? Шумнее прямой передачи?

2. Ставил кто инкодэр на отдельный вал с дополнительным коэффициентом передачи, чтобы вал инкодэра крутился быстрее рулевого?

Ссылка на комментарий
52 минуты назад, Новичёк Артём сказал:

1. Пробовал кто ремень заменить цепью (велосипедной)? Как оно? Сильно шумно? Шумнее прямой передачи?

 

 

52 минуты назад, Новичёк Артём сказал:

2. Ставил кто инкодэр на отдельный вал с дополнительным коэффициентом передачи, чтобы вал инкодэра крутился быстрее рулевого?

Я пробовал, работает не корректно. 

 

Ссылка на комментарий
1 час назад, Новичёк Артём сказал:

Здравствуйте. Наконец-то осилил все сообщения в данном топике) Загорелся заделать дома кокпит с рулевой системой. 

Начал потихоньку подбирать комплектующие и проектировать всё это дело.

Есть вопросы:

1. Пробовал кто ремень заменить цепью (велосипедной)? Как оно? Сильно шумно? Шумнее прямой передачи?

2. Ставил кто инкодэр на отдельный вал с дополнительным коэффициентом передачи, чтобы вал инкодэра крутился быстрее рулевого?

1. прямой привод, даже на DC моторе очень тихий... по уровню громкости - да я чешусь наверно громче чем руль крутится

2. должно работать, только тогда неккоректно будет работать индекс энкодера, т.к. центр руля будет не только в 0 положении а еще и при других градусах (при передаче к примеру 1 к 3 - будут центровки по индексу в углах 0/120/240/0)

Ссылка на комментарий
2 часа назад, Beg сказал:

2. тогда неккоректно будет работать индекс энкодера, т.к. центр руля будет не только в 0 положении а еще и при других градусах (при передаче к примеру 1 к 3 - будут центровки по индексу в углах 0/120/240/0)

С чего вдруг? Будет отсчитывать свои дофиглионы цифр от нуля, который центр, в обе стороны, и всё. При чём тут проблема с центром. По такой логике всё, что выше 360 градусов, выставлять нельзя....

Изменено пользователем Sieben
Ссылка на комментарий

@Sieben просто ты меня не понял) я про то, что индекс энкодера для калибровки использовать корректно не получится (придется после каждого включения платы - назначать центр), а энкодер да, будет работать PPR умножить на передаточное число и все...

Ссылка на комментарий
4 часа назад, Beg сказал:

просто ты меня не понял) я про то, что индекс энкодера для калибровки использовать корректно не получится (придется после каждого включения платы - назначать центр), а энкодер да, будет работать PPR умножить на передаточное число и все...

Ну так это ж ещё лучше получается теперь) зачем индексы/центры связывать сюда к передаточному на энкодер, если энкодер не прямиком к валу? Центр указывается каждый раз когда дёргаешь плату с компа, отключаешь энкодер, с работающей платой. Это если энкодер без индекса. )  Две разные вещи если что) Потеря центра,  и потеря центра от передаточного на него?) Поэтому к чему это всё было сказано, ещё и говорить что "не поняли"? )  

Ссылка на комментарий

@Sieben либо я непонятно выражаю свои мысли, либо ты меня не понимаешь, я ж написал про !калибровку! а не про потерю центра в работе!\

напишу еще раз! я согласен что не важно куда ставить энкодер, в каком передаточном соотношении он будет работать и даже в какую сторону работать! вообще не важно, я пишу про то, что в таком случае ИНДЕКС энкодера не получится задействовать для режима !автоматической калибровки! и придется при каждом включеннии - вручную мышкой ставить галочку и назначать центр

@Basma4 

лог записан с интервалом не в  1мс, он выглядит как лог с шагом в 2мс

Ссылка на комментарий

@Beg  так и есть, у меня в 1мс не устанавливается, всё время держится около 2мс 

01.jpg

и всё таки , попробовал часок погонять АСС.... что могу сказать, ощущения совсем по другому, G27 рядом не лежит) про DFGT вообще молчу.... 
теперь про педали, даже повесив кондёры+феррит , шумы так и остались! Если резко сбрасывать педали , то они в ноль, просто отпускаешь тормоз не уходит до конца, в начале шкалы прыгает чуток, и конечно не даёт машине разогнаться как надо...

Ссылка на комментарий

@Beg ты про калибровку в первом сообщении не говорил ничего. ) фиг с ней.  

@Basma4, выставь мертвую зону для педалей и назначь границы осей нормально. 

Изменено пользователем Sieben
Ссылка на комментарий
02.07.2020 в 11:39 PM, Basma4 сказал:

@Beg  так и есть, у меня в 1мс не устанавливается, всё время держится около 2мс 

01.jpg

и всё таки , попробовал часок погонять АСС.... что могу сказать, ощущения совсем по другому, G27 рядом не лежит) про DFGT вообще молчу.... 
теперь про педали, даже повесив кондёры+феррит , шумы так и остались! Если резко сбрасывать педали , то они в ноль, просто отпускаешь тормоз не уходит до конца, в начале шкалы прыгает чуток, и конечно не даёт машине разогнаться как надо...

с педалями у меня таже история, кроме педали сцепы, на ней все спокойно, а вот газ и тормоз делают мозги, разобрал почистил но эффекта мало, сейчас заметил что педаль газа не до конца срабатывает, думаю резисторы устали. попробую перекинуть газ-сцепу и поглядеть что и как

Ссылка на комментарий
1 час назад, piradik5 сказал:

с педалями у меня таже история, кроме педали сцепы, на ней все спокойно, а вот газ и тормоз делают мозги, разобрал почистил но эффекта мало, сейчас заметил что педаль газа не до конца срабатывает, думаю резисторы устали. попробую перекинуть газ-сцепу и поглядеть что и как

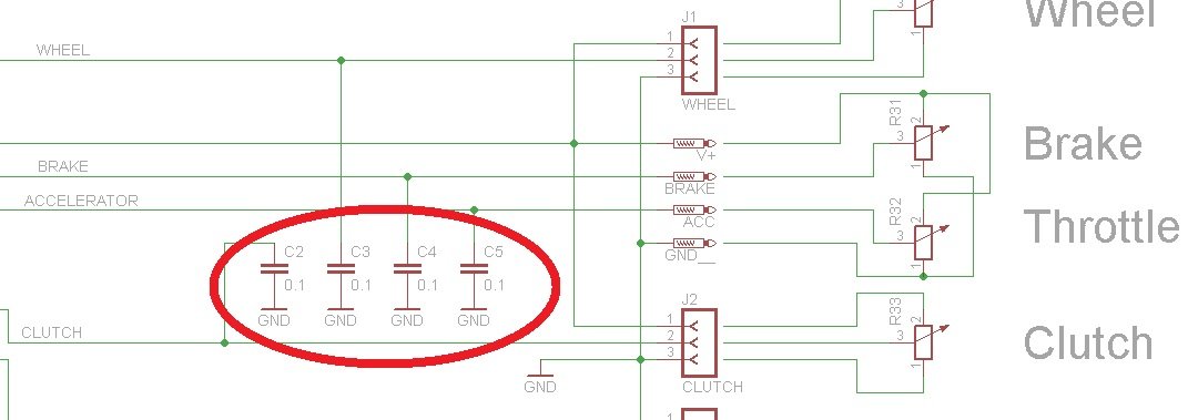
тут думаю дело не в резисторах, потому что я подключаю на базы Logitech (G27 , DFGT) они нормально себя ведут, там всё спокойно! Но стоит подключать их к плата STM32 и сразу бесятся! попробовал чуть успокоить их  вот таким не хитрым способом и по такой схеме

IMG_0227_0.jpg

schematic G25.jpg

мне кажется - нужно подобрать номинал кондёра, сейчас стоят по схеме 100nF ...

ещё на рынок вышел новая плата STM32F407VET6 (mini плата), хочу заказать, если подойдёт , то разведу ПП , чтобы было всё как надо.... глянем...

STM32F407VET6 mini.jpg

  • Спасибо 1
Ссылка на комментарий

а питание ты 3.3 вольта ставишь? Просто у меня на 5 вольтах вообще ужас был, а на 3.3 значительно лучше, во всяком случае они сами не дергались в состоянии покоя.

Ссылка на комментарий

сейчас попробовал на 3,3в , с нуля якобы пропали наводки, но в конце остаются, то есть при полном нажатии педали всё ещё прыгают... Если глянуть мультиком на платы DFGT и G27, то у них чуть схема отличается......фиг с ним, токо что в голову пришла идея заказать ПП этого адаптера , и подключу педали+кпп через него

адаптер.jpg

короче заказал 10шт , чисто ПП , без деталей, детали думаю сам запаяю... кому надо будет, то знайте.... 

  • Нравится 1
  • Спасибо 1
Ссылка на комментарий

Кто-нибудь связывался с моторами типа POSTRUI 24V 120W 3500rpm? 

К выходу ф1 20 взял Момо и протестил его в ф1 12 и АСС, мне вполне хватило силы его ффб) может из него для бызы моторчик выковырять?)

Ссылка на комментарий

Коллеги, пришли БТС с чипами gac913, хотя у продавца были нарисованы 633, у кого-нибудь были такие? Нормально работают или всё же нужно искать на  633 чипах?

Ссылка на комментарий
×
×
  • Создать...